
Gallery
Where Heritage Takes Flight
Passenger Terminal Building – Jodhpur Airport, Rajasthan
In the historic city of Jodhpur, the Sun City of India, the new Passenger Terminal Building stands as a remarkable blend of cultural heritage and modern aviation infrastructure. Designed to reflect the architectural legacy of Rajasthan, the terminal seamlessly integrates contemporary airport functionality with the timeless aesthetics of Rajputana and Mewar architecture.
As travellers approach the terminal, the entrance makes a powerful first impression. A fluted dome crowned with a kalasa on a lotus base rises above the gateway—an architectural element inspired by the domes of Rajasthan’s historic forts and palaces. Subtle influences of Sikh architecture further enrich the design, creating a façade that feels both monumental and culturally rooted.
The façade itself is a celebration of craftsmanship. Intricate carvings, sculptural forms, and decorative motifs reflect the artistic traditions of the region, transforming the terminal into more than just an airport building—it becomes a tribute to Rajasthan’s architectural identity.
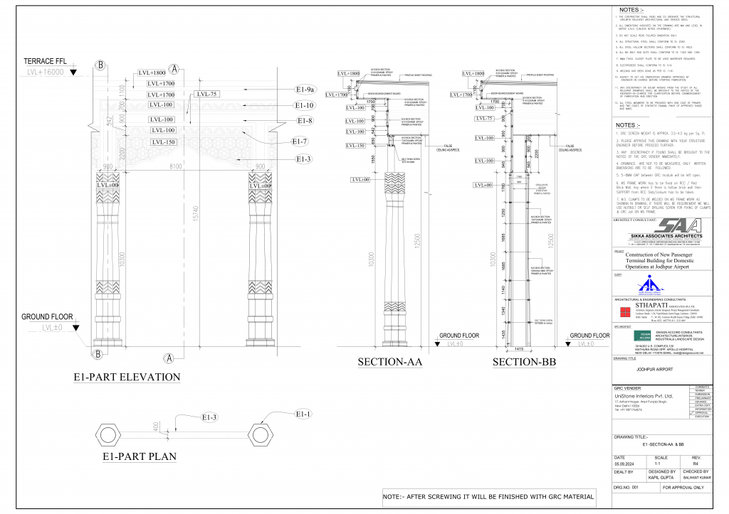
Bringing this vision to life required precision engineering and specialised façade expertise. Unistone played a key role in executing the architectural elements using GRC – Glassfibre Reinforced Concrete, enabling the creation of highly detailed yet structurally efficient components. Through carefully manufactured Crafted Panels, Column Jacketing, Arches, Brackets, Mouldings, and Lotus Domes, Unistone translated traditional architectural forms into durable, high-performance façade elements.
The result is a façade where heritage craftsmanship meets modern material technology, creating a landmark that welcomes travellers with the spirit of Rajasthan while showcasing the possibilities of contemporary architectural design.
1. Understanding the Architectural Vision
The journey began with a deep understanding of the architectural language envisioned for the terminal building.
Our design team worked closely with the project consultants to interpret this vision and translate it into a series of façade elements, including:
- Carved façade panels
- Column jacketing
- Architectural arches
- Decorative brackets and mouldings
- Lotus-shaped domes crowned with a Kalash
- A traditional vestibule created in GRC
Every detail was carefully studied to ensure the façade would celebrate Rajasthan’s heritage while complementing contemporary airport design.



2. Engineering the Design – Structural Calculations
Once the architectural intent was defined, the project entered a critical engineering phase.
Our team carried out detailed structural calculations for each façade component, considering:
- Weight of GRC elements
- Anchorage requirements
- Installation methodology
- Load behaviour across different façade zones
These calculations formed the technical backbone of the project, ensuring that the façade elements could be integrated seamlessly with the building envelope.




3. Structural Vetting & Technical Validation
Following the preparation of the shop drawings, structural calculations were carried out in accordance with the applied wind load requirements for the project. Each component was carefully analysed to ensure it could safely withstand the design wind pressures and site conditions.
The drawings and calculations were then reviewed and vetted by the project consultants, confirming that the proposed design met all structural, engineering, and installation standards.
Only after the shop drawings and structural methodology were approved was the project cleared to proceed into the fabrication stage, ensuring complete technical reliability before production began.
4. Precision Mould Craftsmanship
With approvals in place, attention shifted to the art of precision mould making—a stage where craftsmanship plays a defining role.
Highly detailed moulds were developed to replicate the architectural profiles of:
- Carved façade panels
- Column jacketing
- Architectural arches
- Decorative brackets and mouldings
- Lotus-shaped domes crowned with a Kalash
- A traditional vestibule created in GRC
Each mould was carefully refined to capture intricate contours and surface textures, ensuring that the final elements would maintain both accuracy and aesthetic richness.


5. Manufacturing the Architectural Elements
Using these moulds, the façade components were manufactured at our facility.
The production phase included the fabrication of:
- Custom-crafted panels
- Column jacketing elements
- Decorative arches and brackets
- Architectural mouldings
- Lotus-shaped domes crowned with a Kalash
- Elements forming the traditional vestibule
One of the most visually striking features of the project is the series of lotus-shaped domes, symbolising purity and heritage. Each dome is crowned with a Kalash, creating a powerful architectural statement that reflects Rajasthan’s timeless design traditions.


6. Coordinated Dispatch & Logistics
With manufacturing completed, the focus shifted to carefully coordinated dispatch planning.
Material movement was scheduled in alignment with:
- Detailed façade sequencing
- Front-wise site preparation
- Installation priorities
This thoughtful planning ensured that components reached the site in a structured sequence, allowing installation teams to work efficiently while maintaining the integrity of each architectural element.
The result was a smooth logistical flow that supported uninterrupted site progress.


7. On-Site Supervision of Support Framework
While the MS support framework was fabricated by the designated site agency, Unistone remained actively involved through regular on-site supervision and inspection.
Our team monitored the framework installation to ensure that:
- Alignment matched façade detailing requirements
- Fixing points corresponded with panel installation
- The structure was prepared accurately for the upcoming façade work
This continuous supervision ensured that the groundwork was perfectly aligned with the façade installation methodology.


8. Installation of the Façade Elements
Once the support framework was ready, the façade installation process began.
Each element—from crafted panels to domes—was installed with meticulous care.
The process involved:
- Mechanical fixing of components
- Alignment verification during installation
- Formation of consistent groove joints
- Detailed surface finishing
Special attention was given to maintaining visual continuity across the façade, ensuring that the architectural language flowed seamlessly across the terminal building.


9. Groove Treatment & Sealant Finishing
After installation, the façade underwent groove treatment and joint finishing.
This stage involved:
- Careful surface preparation
- Precision groove refinement
- Application of high-grade paintable elastomeric silicone sealant for joint protection
The finishing process was executed under Unistone’s direction, ensuring that the façade achieved a refined appearance while maintaining long-term durability.
A Gateway Reflecting Rajasthan’s Identity
Today, the Passenger Terminal Building at Jodhpur Airport stands as a modern gateway to the Sun City—an architectural composition that celebrates Rajasthan’s cultural heritage while serving the needs of contemporary air travel.
Through crafted panels, lotus domes crowned with Kalash, elegant arches, mouldings, and a traditional vestibule, the façade brings together engineering precision, material craftsmanship, and timeless design.
This project reflects Unistone’s ability to transform architectural vision into built reality—creating spaces that welcome travellers while honouring the cultural spirit of their destination.